| 
						
							
							 
						 | 
						   Amateur | 
						
							
							 | |
| 
						
							
								            
							R
						adio | |||
| 
						
							
								                  
							
						of  | |||
| 
						¥x¥_·~¾lµL½u¹q«P¶i·|·|°T | |||
| 
						
							Ham is ART | 
						
							¤@¤E¤E¤K¦~¤@¤ë¤G¤é¥Xª© 
						*·|¤º¥Zª«¤£¹ï¥~µo¦æ | 
						²Ä¤G¨÷²Ä¤@´Á | |
			
			
			
			
				 ²z¨Æªø
					: ±iº¬¤å/BV2RS         Á`·F¨Æ:
					¥Ð°·§^/BM2AAL
			
				²z¨Æªø
					: ±iº¬¤å/BV2RS         Á`·F¨Æ:
					¥Ð°·§^/BM2AAL 
			
				²z¨Æ
					: §d´L©P/BV2AP,¸â¾Ç®ü/BV2CE,¤ýªv¥/BV2CK,§õ¨}/BV2CO,§E¥Á¶¯/BV2DK,ªL©[®ä/BV2EW,ªò¥H®p/BV2KS,
			
				  §õ®¶ªF/BV2NT,§E¥x¥/BV2OO,§õ®¶¨¹/BV2PU,¤_©z¦w/BV2QQ,§õ¹Å·Ô/BV2WA,¸â©ú¹F/BM2ABI
			
				ºÊ¨Æ
					: ²øÂE¹B/BV2NK,±i¤å²»/BV2QM,¦¿¼wÄ£/BM2ACE
						  
					ԸɺʨÆ: ³¯»Ê×/BV2QR
			
				°]°È¥D©e
					:§E¥Á¶¯/BV2DK,  ·|Äy¥D©e:¸â¾Ç®ü/BV2CE,
					¬ã°V¥D©e:¤ýªv¥/BV2CK, ³q«H¬¡°Ê¥D©e:§õ®¶ªF/BV2NT, 
			
				Áp½Ë¥D©e
					:·¨«Ø±G/BM2AAZ, ·|¥Z¥D©e:§E¥x¥/BV2OO, ARES¥D©e:§õ¹Å·Ô/BV2WA, QSL¥D©e:ÃÓ©ú½÷/BV2FT, 
			
				¼úª¬¥D©e
					:³¢««Ø/BM2ACU,
					Internet¥D©e:©x°xàÃ/BM2ABA
			
			
				 
			
				
					
			¤¤¤s¤k°ª100¦~®Õ¼y¬ö©À¹q¥x(BV0CSS)¬¡°Ê°O
			
			12¤ë7
				¤é¤ÑªÅ¤UµÛ¤j«B¡A¤µ¤Ñ¬O¤¤¤s¤k°ª¦Ê¶g¦~®Õ¼y¶é¹C·|ªº¤é¤l¡C¤CÂI¥b¤@¨ì¡A²³¤Í¥x
			(¦³BV¦³BM)
				«K¤@¤@¨Ó¨ì¬ö©À¹q¥x¡A¹q¥x¥x§}³]¦bµøÅ¥±Ð¨|¤¤¤ß¥|¼Ó¡C¤µ¤Ñ
			OM¤ÎYL¦Xp¨Ó¤F20¦h¤H¡A¥[¤W¤pªB¤Í5-6
				¤H¡AÁÙ¦³¨Ó¨Ó¥h¥hªº
			YL-¤¤¤s¤k«C¦~¡A¸g¥Ñ½Ñ¦ìOM
				¤Î±i²z¨Æªø¿Ë¤Áªº«ü¾É¡A¤¤¤s¤k«C¦~¤À§O»P°ê¤º¥~¤Í¥x³q¤W¡A¤p¤k¥Í®³µÛ³Á§J·¼Ö¤£¥i¤ä¡A«D±`°ª¿³¯à¦b¤j«B¤¤¡A¦wµM¦b«Ç¤º«Ü»´ÃP¦ÛµMªº±¡¹Ò¤U¡A»P»·¤è¤Í¥x§@
			QSO¡A¦³¤H³qÁp¨ì«Xù´µ¡A¦³¤H³q¨ì¦L¥§¡K¡C¤¤¤s¤k«C¦~ÌÅé·|¨ìQSOªº¼Ö½ì¡AÃø©ÇBV3FQ¨Æ«á¨Ó«H¡A¥L§i¶D¤k«C¦~n¦h¦h¤W½u¡A¦]¬°¥þ¥@¬ÉYL¹q¥x¹ê¦b¤Ó¤Ö¤F! ¥Ñ©ó¾Ç®Õ·í§½ªºÄY®æ³W©w¡A¤@¤Á¬¡°Ên¦b14:00«enµ²§ô¡A³Ì«áBM2BIS¥Ì¥Ç²³«ã
				¡AªOµÛ¤@±i¯ä°¨Áy¤U¤F³v«È¥O¡A
			BV0CSS´N¦b¨Ì¨Ì¤£±Ë¤¤QRT¤F!©ú¦~101¦~¦A¨£!ÁÂÁ¦U¦ìOM¡AÁÙ¦³ÁÂÁÂART. (BM2BIS)
				Q
			
				:
			
			
				
				 
				
			
			
				
				
			
			·|°È®ø®§
			
				·|¶O³q§i
			·PÁ¦U¦ì·|¤Í³o¤@¦~¨Óªº¤ä«ù»P°Ñ»P, ¥Ø«e¦]»PCTARL¤§¶¡ªº©w¦ì°ÝÃDµLªk¥ß§Y¸Ñ¨M, ¥HP©ú¦~·|¶O¤º¦³Ãö¡¨¤õ»L±Ú¡¨ªº³¡¥÷¼È®É°±¦¬, ¦P®É¤Wú³¡¥÷¤]°±¤î¤Wú, ·|û¦p»ÝÄ~ÄòCTARL·|Äy½Ð¦Û¦æ»PCTARLÁpµ¸. ¥»·|87¦~«×·|¶O¸g²z¨Æ·|³q¹Lºû«ù¨C¤H¨C¦~1200¤¸, 
				¦ý¬°¤F±N©Ò¦³ªº·|û·|Äy¦³®Ä´Á¤Á»ô¦Ü
			87¦~12¤ë©³, §Y¤é°_¦U·|û¥i±N·|¶O®tÃB¥æµ¹°]°È¥D©e(BV2DK).®tÃBpºâ¤è¦¡¬° (12-¤J·|¤ë¥÷+1) X 100¤¸. ¦p§A¬O¦b86¦~¤»¤ë¤J·|«h®tÃB¬°(12-6+1)X100¤¸=700¤¸. 
				³Ð·|·|û
			87
				¦~«×
					½Ð·Ó¥æ1200¤¸
				
			. ¦p¦³¥ô¦ó°ÝÃD½Ð»P2DK¬¢¸ß.(BM2AAL) 
				Q
			
				:
			
			
			
				¥»·|¥Ø«e¥i¨Ñ·|û¿ïÁʤ§ª««~:
| 
							«~¦W | 
							°â»ù | 
| 
							ARTµu³ST«ò | 
							250 | 
| 
							¥V©u³¥¾Ô¥~®M+¿Ç | 
							3900 | 
| 
							ART«K´U | 
							200 | 
| 
							ART
								¤p¹¢³¹
							 | 
							50 | 
			±ýÁʪ̽лPÁ`·F¨ÆBM2AAL³sµ¸.(BM2AAL) Q
				:
			
			¤Hª«¯S¼g
			
				Mr. Louis
				Dvorsky
			
				Àd¤h°ò(
			BV2/N2IT)
			¤µ¦~®L¤Ñ°_¤£½×¦b¨Ò·|©Î¦UºØ¬¡°Ê®É±`±`¬Ý¨ì¤@¦ì¦Ñ¥~¼ö¤ßªº°Ñ»P, ¤j®a¥i¯à¥uª¾¹D¥L¬OLou, ©I¸¹¬ON2IT, ¦ý¬O³o¦ìOM¨ì©³¬O¤°»ò¨ÓÀY©O?
			¤Q¤ë¥÷¤~«Å»}¥[¤JARTªºLou¦b¤G¦¸¤j¾Ô«á¥Í©ó±¶§Jªº¥¬©Ô®æ, ·í±¶§J³Q¨ª¤Æ®É¥L¥þ®a¥u¦n°kÂ÷®a¶é, ¦b¼w°êµ¥¤F¥|¦~¥b²×©ó¨Ó¨ì¬ü°ê. ¦~»´ªºLou¶i¤J¤Fºû¦N¥§¨È¤j¾Ç¥D×¹q¾÷¤uµ{, ¦b¨º¸Ì¤]ÁÛ°m¤F¥Lªº¤Ò¤HMary. ²¦·~«áLou¶i¤J¤FFAA(Áp¨¹¯èªÅºÞ²z§½)ªA°È, ¦bªA°È´Á¶¡¦í¹Lº³£µØ²±¹y, ³ôÂÄ´µ¥«(±KĬ¨½¦{), ©ú¥§ªüªi¨½(©ú¥§Ä¬¹F¦{)³Ì«á©w©~¦b¤j¦è¬v«°(¯Ã¿A¦è¦{), 
				¨|¦³¤G¤l¤@¤k
			. °h¥ð«áLouÂà¥ô¬Y¤uµ{ÅU°Ý¤½¥q±Mû, ¥h¦~¦]¸Ó¤½¥q©Ó¥]¥Á¯è§½¹p¹F¤uµ{, Lou¤~¦³¾÷·|¨Ó¨ì¥xÆW¾á¥ô¥xÆW¤À¤½¥q¸g²z.
			1964¦~¦b³ôÂÄ´µ¥«®ÉLou¨ú±o¤F¥Lªº²Ä¤@±i¥|µ¥(Novice)°õ·Ó(WN0JVU), ±q¦¹¶}©l¤F¥Lªº·~¾lµL½u¹q¥Í²P. «á¦]·h¨ì¤j¦è¬v«°©I¸¹§ï¬°(WA2BZX). ³Ì«áLou²×©ó®³¨ì¤F¤@µ¥(Extra)°õ·Ó, ¦P®É¤]¬D¤F¤@Ó¦bCWºâ±o¤W«Üµuªº©I¸¹(N2IT). Lou³ßÅw¥HCW¦b80¦Ì¨ì10¦Ìªº¦UÓÀW±a¤u§@, ¦ý¦³®É¤]¦b160¦Ì©Î³z¹L½Ã¬P°µQSO. ¥L¯S§O³ßÅw°µDX, ¦P®É¤]±o¹L¤£¤Ö²Õ´ªº»{¦P, ¦p
				ARRL A-1 Op
				Club, Rag Chewers Club, Lifetime member of the ARRL, High Speed Club, DIG and
				AGCW.
			¦b¼úª¬³¡¥÷±o¹L
				DXCC-CW,
				Worked All States-CW, Worked All Europe I-CW.
			
				»¡¤]©_©Ç
			
				¦b³o¨Ç¼úª¬¸Ì©~µM³£¨S¦³³qÁp¹L
			BV¥x.
			¦b¦¨¬°ARTªº¤@û«á, Lou»¡¡¨
				I am very
				lucky to be included in such a group of wonderful people who accept me as one
				of their own¡¨.
			
			 ²z¨Æªøªº¸Ü:
²z¨Æªøªº¸Ü:
			¥»·|¦³©¯±o¦¹OM¥[¤J, ¦U·|ûÀ³§â´¤¾÷·|¦h¦V¨ä½Ð¯q, ¤£½×¬OµL½u¹q§Þ³N, CW³q«H¬Æ¦Ü^¤å·|¸Ü, Lou³£·|«Ü¼Ö·N¿³§A¤Á½R.
			*¥»¤å¥ÑLou¿Ë¦Û¼¶¼g¨Ã¥ÑBM2AAL·Nͦ¨¤¤¤å.
			
				
					
					 
				
			
				7
			
				¤ë
			
				27
			
				
					¤é¬õ²H¤s¤¤¤éÁú³q«H¹êÅç
				
			
				
					,
					Lou
				
			
				²Ä¤@¦¸°Ñ¥[
			
				ART
			¤á¥~¬¡°Ê
				. Lou(
			¥ª
				), BV2CE(
			¤¤
				), BM2AAL(
			¥k
				)
			
			
				
					
					 
				
			
				N2IT
			¹q¥x¤@´º¥i¬Ý¨£
				High Speed Club, AGCW
			
				¤Î
			
				DIG
			
				µ¥µÛ¦WÃÒ®Ñ
			
				, 
			¦ý¦b®à¤lªº¥¿¤¤«o¥u¬O¤@³¡
				ICOM IC-735. 
			¥i¨£¥un¦³¦nªºµL½u¹q§Þ³N¤£¥²¤@¨ý°l¨DµwÅ骺§ó·s
				.
			
				
			µÛ¦Wªº¼úª¬Â²¤¶:
			
				DX Century Club (DXCC)
			: ·í³qÁp¶W¹L100ÓDXCC°ê®a©Î¦a°Ï§Y¥i¥Ó½Ð, ³Ì°ª¯Å¬°DXCC Honor Roll
				¶·³qÁp
			©Ò¦³¦bDXCC¦W³æ¤Wªº°ê®a©Î¦a°Ï¼Æ¥Ø´î¤E.(¦p¥Ø«e¦W³æ¤W¦³329Ó, ³qÁp320Ó¥H¤W§Y¥i¥Ó½Ð, ¦¹¦W³æÀH®É¦b¼W´î)
			
				Worked All States(WAS)
			
				:
			 
				»P¬ü°ê¤¤QÓ¦{³qÁp
			
			
				Worked All Europe(WAE)
			
				:
			 »P¼Ú¬w40-55Ó°ê®a©Î®qÀ¬³qÁp, ¬O¼w°ê(DARC)
				µo¦æªº³Ì¥j¦Ñ©M³Ì¦³Án±æªº¼úª¬
			.
			
				µÛ¦WªºÃҮѲ¤¶:
			
				A-1 Operator Club (A-1 Op): 
			¦¹ÃҮѤ£±µ¨ü¥Ó½Ð, ¦Ó¬O¥ÑA-1 Op
				¦bªÅ¤¤³qÁp®É
			, ı±o³o¦ìOp¦b³ø°È, ¸Ü°È, ³q«Hµ{§Ç, 
				§Û³ø¯à¤O
			, §PÂ_¤O¤Î§»ª¤W³£¦³«Ü¦nªºªí²{¤~µ¹¤©±ÀÂË, ¦p¦³¨â¦ìA-1 Opªº±ÀÂË, ¸Ó²Õ´´N·|¦Û°Êªº§âÃҮѱH¤W. (BM2AAL) Q
				:
			
			
			¤õ»L¦ÊÄ_½c-1 
				                                De  BV2WA
			·~¾lµL½u¹q¥¦ªº^¤å¦WºÙ¥s
				Amateur
				Radio,
			¼ÊºÙ©Î«UºÙHam Radio, ¤¤¤å§Ú̪½±µ§â¥¦ºÙ¬°¡u¤õ»L¡v, ¹ï©ó¤@Óè¶i¤J³o¯S¦³±Ú¸sªº¤H, ¤ß¤¤¤]³\±`¯Ç´e¬°¦ó¥s¤õ»L©O? ¦Ó¤S¦³©Ò¿×ªº»¸z¡B¤ì¥Ê¡B¯QÀt¡B¶¡¹jµ¥©_©Çªº¦Wµü, Y¥HÅ޿誺«ä¦Ò¼Ò¦¡, ¤]¹ê¦bµLªk±N³o¨Ç¯S²£Âk¯Ç¦¨ÃöÁp©Ê, 
				³»¦h¥iµw£±¦¨¯À¹©Êªº¯QÀt¥ý¦Y»¸z
			, ¶¡¹j¤@¤U«á¦A¦Y¤ì¥Ê§U®ø¤Æ, ³o¥i¯à¶Ü? ¤£¹L³o¤]¤ÏÀ³¥X¥xÆW·~¾lµL½u¹qªº©Ç¶H¡C
			
				    Ham Radio
			³o¦W¦rªº¥Ñ¨Ó¬O¦b¥j¦¥H«e, °¨¥i¥§µo©úµL½u¹q¤§«á, ¦b¨º®ÉÔªº¬ì§Þ¤ô¥, ©Ò¯à¥Î¨Ó¸Ë°t²³æ¦¬µo³ø¾÷ªº¹s¥ó, ¦p¯uªÅºÞ¡B¹qªý¾¹¡B¹q®e¡B¹q·P¾¹, ³£¬Û·íªºÂ²®»P¤£®e©ö¨ú±o, ·~¾l®a¬°§¹¦¨¹ïµL½u¹q³q°T¹êÅ窺¬ü¹Ú, ¦¬µo³ø¾÷ªº«Ü¦h¹s¥ó³£¶·¦Û¤v°Ê¤â»s§@¸Ë°t¦Ó¦¨, ^¤åºÙ§@(Home brew). ¾Ç¹L¯uªÅºÞªº¤H³£ª¾¹D¥¦ªº«Ì·¥(plate), ¬O¥²¶·¨ÑÀ³¤@200©Î300¥ñ¯S¥H¤Wªºª½¬y°ª¹qÀ£¤~¯à¨Ï¨ä¤u§@, ¦Ó³o»ò°ªªºª½¬y¹q(DC), ¥²¶·¥Ñ¥«¥Îªº¥æ¬y¹q(AC), ©Î¥ÑÅÜÀ£¾¹¨ú±o«á, ¦A¸g¹L¾ã¬y©M¹q®e¾¹¥R©ñ¹q, Âo±¼AC¹q·½¤¤60©Î120¶g(HZ)ªº¥æ¬y¹q¦¨¥÷, ¦ý¨º®Éªº¬ì§Þn»s³y¯à@±o¦í¦p¦¹°ª¹qÀ£, 
				©M¨¬°÷¹q®e¶q¨ÓÂo±¼¥æ¬y¦¨¥÷ªº¹q®e¾¹
			, ¬O¬Û·í¤£©ö, 
				¦]¦¹¥un¤@¶}¾÷³o
			60©Î120HZªº¥æ¬y°T¸¹´NµL©Ò¤£¦b, ±q±µ¦¬¾÷ªº³â¥z¤¤ÀH®É·|Å¥¨ì³o ó.ó.ó.ªº¥æ¬y°T¸¹Ánµ, ^¤å´N¥Hham.ham.ham¨Óªí¥Ü, ´N¹³ºÎı¥´©IªºÂMÁn¥ÎXYZ¤¤ªºZ.Z.Z.Zªí¥Ü¤@¼Ë, ³o´N¬OHam Radio³o¦W¦rªº¥Ñ¨Ó,¦Ó§Ṳ́S±NHamª½Ä¶¦¨¤¤¤åªº¤õ»L¦p¦¹³o¯ë¡C
			
			
				    
			¬F©²¸ÑÄY«á¤]¶}©ñ·~¾lµL½u¹q°õ·Óªº¦Ò¸Õ, «Ü¦h¤H¤]²@µL³¹ªkªºª±°_µL½u¹q,¨Ã¦Û¨ú¦W¸¹¬°¡u»¸z±Ú¡v, ¨ä·½¦Û©ó¤õ»Lªº³]³Æ¸û¤j¥B»ô¥þ, ¦Ó»¸z±Ú³]³Æ¸û²®,¨ú¨ä¦P¬°¦×Ãþ»s«~¤§·N, ¦b°ê»Ú¤W°£¤õ»L©MCBª±®a¥~, ¨ä¥L¤@«ßºÙ¬°®üµs¹q¥x
				(Pirate
				station)
			©Î¨p°s³c¤l(bootleg). ·í¤õ»L¤å¤Æ¦b³o¶ô¤g¦a¤WµÞªÞ¤§ªì, 
				¦³¬Y¼t°Ó¥Ñ¤é¥»¶i¤f¤@
			collinear(¦@½u¦¡)¤Ñ½u, ²£«~½s¸¹¤¤¦³¤@500¦r¼Ë, ¨º®É¥Á´¼¥¼¶}, ¦³¤H´N±N¨ä»P¬Y»át²±¦Wªº500cc
				¤ì¥Ê¤û¥¤¬Û¼v¯A
			, ¦¹¤D¤ì¥Ê¤Ñ½u¦WºÙªº¥Ñ¨Ó, ¦Ó»P¤ì¥Ê¨ÃµL¥ô¦óÃö³s. ¦Ü©ócollinear¤Ñ½u¥¦¬O±N¼Æ¬q¤u§@©ó¦P¤@ÀW²vªº¤Ñ½u¬Û¦êÁp, 
				¨Ã©ó¦U¬Û³s±µ³B¥[¤@¬Û¦ì¤Ç°t¾¹
			, ¨Ï¨ä¨ã¦³¸û°ª¤§¬Û¹ï¼W¯q(gain)»P¸û§Cªº¹qºÏªi´T®g¨¤«×, ¦ý¸û°ªªº¼W¯q¹ï©ó¼eÀW§CQȪº¤õ»L¾÷¾¹, ²V½ÕÅÜ(IMD)©ÎÂø°T¤zÂZ¬OµLªkÁ×§Kªº½ÒÃD¡C
			
			
				    
			¦Ü©ó»¸z¦Wµü¯QÀtªºªF¦è^¤å¥s(Turtle),¨ä¬°¤@¥[¸Ë©óµo®g¾÷¿é¥XºÝ¤§¥\²v©ñ¤j¾¹,¯u¥¿¦W¦r¥s©ñ¤j¾¹
				(amplifier,
				booster)
			©Î½u©Ê©ñ¤j¾¹
				(linear
				amplifier),
			¥Î¨Ó¼W±jµo®g¥\²v,
				¨ä¥~§Îµ²ºc¥|¥¤KéΦ³¤j¶qªº´²¼öÅ_¤ù¥]³ò
			,¨ã¦³¬Û·íªº«¶q,¦]¦¹¦³¤H±N¨ä»P¯QÀt²£¥ÍÁp·Q¥Ñ¦¹±o¦W¡C
			
			¶¡¹j¤@µübreak·½¦Û¬ü°êªºCBª±®a,¤@¨Ç±`«Ý¦b¬Y¤@¯S©wÀW²vªº¼ô¤H,¦³®É¬°©M¬Y¤H½Í¸Ü,´N¥Îbreak©Îbreaking¥h¥´Â_©Î´¡¤J,¦b¤õ»Lªº°ê»Ú»R¥x¤W¦³¨ä¤@©wªº¶i°h§»ö,¦¹ºØÁ|°Ê¬O¬Û·í²Ê¾|»P¤£Â§»ªªº¦æ¬°,¥²³º¤@Ó¤õ»Lªº¹q¥x©I¸¹±N¸òÀH±z¤@½ú¤l,¤£¥i¯à¤µ¤Ñ¥Îªü¿ß©ú¤Ñ§ï¬°ªüª¯,¦]¦¹ÁnÅA»P§Î¶H¤£¥i¯à¦bbreaking ¤¤«Ø¥ß,¾i¦¨¥¿½Tªº²ßºD¬O¶i¤J¤õ»L¥@¬Éªº²Ä¤@¨B,¤£µM±z¤]³\·|¦³¾÷·|Å¥¨ì¤@¬q¦p¤UªºQSO:
			
			Break! Break! This is 
				¤£
			©Ô¤Ò¡B°ß²æ¡B¦R¡B Áý¦ºÂû¡Bªüªá
				¡K I am
				pushing a 1000 years old turtle in to a papaya 500 antenna¡K¡K
			
				«zº¹
			!§Ú·Q¹ï¤è·|¦b???
				XX?!
			YYOOXX«áªº¤@°}·w¯t,²×§i¦R¦å¤£ªvSK¡C
			¦U¦ìOM YL!«D±`Åwªï±z±q¤õ»L¦ÊÄ_½c¤¤«õ±¸¥X±z·Qnªº°ÝÃD¸Ñµª,¥i¥He-mail:bv2wa@ms11.hinet.netµ¹§Ú
				, 73  es
					 
				happy new year
			
			
				
					 DIY¶é¦a
				
			
				DIY¶é¦a
			
				¦Û»s²©ö¹q·½¨ÑÀ³¾¹(1)
| 
							
								
								 | 
| 
							
								
								 | 
			¤@³¡¶Ç²Îªº¹q·½¨ÑÀ³¾¹¥i¤À¬°¥|Ó³¡¥÷:ÅÜÀ£, ¾ã¬y, Âoªi, ÃÀ£. 
				¹q¬y¶V¤j¶V¤£®e©ö¦Û»s
			. ¥»¦¸¤¶²Ð¥H13.8V,1A-3A¬°¥Ø¼Ð, §Æ±æÂǦ¹¤F¸Ñ¹q·½¨ÑÀ³¾¹ªº°ò¥»ºc³y, ©Ò¥H¤£´£³]p²z½×, ¶È¥H¸gÅçªk«h¦ôp.
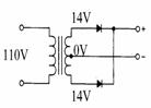
			ÅÜÀ£¾¹ªººØÃþ«Ü¦h, ³o¸Ì¥u¤¶²Ð³Ì±`¨£ªºEI«¬. ³q±`ÁʶRÅÜÀ£¾¹»Ý´£¨Ñ¤U¦C¸ê®Æµ¹¼t°Ó. 
			¤@¦¸°¼¹qÀ£: 110V
			¤G¦¸°¼¹qÀ£: 14V¤¤¶¡©âÀY
			¤G¦¸°¼¹q¬y: 1A
			¤@¦¸°¼¹qÀ£¥H¥«¹q¨Ñ¹q§Y¬°110V.¦]¦³ÃÀ£¹q¸ô¬G¥H©Ò©w¤§DC¹qÀ£È¬°¤G¦¸°¼¹qÀ£. ¥t¥~n¨Ì¬O§_n¥¿t¹q·½»P¾ã¬yªº¤è¦¡¨M©w¬O§_n¤¤¶¡©âÀY. 
				¥»¦¸¸Õ§@¥H¥þªi¾ã¬yªk±o¤@¥¿¹qÀ£
			, ©Ò¥H»Ý¤¤¶¡©âÀY. ¨Ã¥H©Ò»Ý¤§DC¹q¬yȬ°¤G¦¸°¼¹q¬y.
			¾ã¬y¹q¸ô±`¨£ªº¦³¥þªi¾ã¬y»P¾ô¦¡¾ã¬y¦p»Ýn¥¿t¹q·½«h¥H¤G¦¸°¼¤¤¶¡©âÀY°t¾ô¦¡¾ã¬y. 
				¦p¥un³æ¹q·½¥i¥H¤G¦¸°¼¤¤¶¡©âÀY°t¥þªi¾ã¬y©Î¤G¦¸°¼µL¤¤¶¡©âÀY°t¾ô¦¡¾ã¬yÉÊ¥i±o¤@³æ¹q·½
			.(¦p¤U¹Ï) (BM2AAL) Q
				:
			
(¤U´ÁÄò)
| 
							
								
								 | 
			
				»{ÃÑARES ¸q«i³q°T
			
				
					                                                 
				De BV2WA
			·~¾lµL½u¹qºò«æ³q°T§@·~(ARES)¬O
				AMATEUR RADIO
				EMERGENCY SERVICE
			ªºÂ²ºÙ, ¨ä¦¨¥ßªº¥Øªº¬O±N·~¾lµL½u¹qªº±q·~¤Hû, ¨Ì¾Ú¨äÓ¤H·NÄ@, °µ¦³³W¹º©Êªº½s²Õ©M°V½m, 
				¨Ï¨ä¦¨¬°¤@«ü´§½Õ«×ºZ³q§Ö³tªº³q°T³s¶¤
			, ¦b°ê®aªÀ·|¤§¬ðµo¨aÃø®É, 
				¯à¸q°È´£¨Ñ¨Ã«Ø¥ß¤@»²§U©ÊªºµL½u¹q³q°Tºô¸ô
			, ¦³®Ä²vªº¶Ç»¼±Ï´©°T®§¡C
			
			¬ü°ê¬O·~¾lµL½u¹q¸q«i³q°T³W¹º°õ¦æ³Ì¬°§¹µ½ªº°ê®a,
				¦b¦a¾_¡B¤ô¥Æ¡B´ËªL¤j¤õ¡B¼Y¾÷¡B¥æ³q·N¥~¡Kµ¥¨Æ¥ó¤¤
			, «Ø¥ßµL¼Æ¦¸ªº¥\³Ò¨Ãì±oªÀ·|¤j²³»PÁ`²ÎªºÃÙ³\; 
				¾F°êªº¤é¥»¦b¨Á¯«¤j¦a¾_¤¤Àþ¶¡³y¦¨©Ò¦³¤½¦@³q°T·´©ó¤@¥¹
			, ¦Ó¦bµuµuªº¨â¤p®É¤º, ¥Ñ·~¾lµL½u¹qªº¸q«i³q°T¤Hû, ¥ß¨è¾át°_»P¥~¬Éªº³q°T«³d,¦]¦¹§Ú°ê¤]À³¸Ó¾¨¦³W¹º¹ê¬I¥H¨¾½d¥¼µM¡C
			¥»¤H©ó¥Á°ê83¦~¶}©l½s¼¶ARES°õ¦æ¯ó®×, ©ó84¦~¸g¥æ³q³¡®Ö³Æ¦P·N, ¨Ã¥Ñ·í®É¤¤µØ¥Á°ê·~¾lµL½u¹q«P¶i·|CTARL²z¨Æªø, ¥H¸Ó¯ó®×uÁ`²Î©²°Ñ»P¥þ°êºò«æ¨aÃø·|ij, ±¤¦¹p¹º©ó°õ¦æ¤¤¤Ö¼Æ§O¦³¥Î¤ß¤H¤hÂÇARES¤§¦W, ©ó¨aÃø¤¤±N·~¾lµL½u¹q³]³Æ,´²µo¤©¥HµL·Ó¤H¤h¹ªÀy«Dªk¨Ï¥Î, ¨Ã±N¦¹¥»¥½Ë¸m¡Bª¾ªk¥Çªk¤§´c·d¦æ¬°,«Å´©ó¥Nªí¤¤µØ¥Á°êªº¤õ»L±Ú¤W, ¥»¤H¦]¦Ó¥ß§Y²×¤î¦¹¤@²@µL·N¸qªº³Ò°ÊªA°È¡C
			ARES
				¥¦¬O¤@ӥѨCÓ
			OM¥Ñ¤ß©³¦ÛµM²£¥Í, ¹ï¥Í©R¡B°ê®a¡BªÀ·|ªºÃö·R©Ò¥I½Ñªº¦æ°Ê, ¸q°È´£¨Ñ¦Û¦³ªºµL½u¹q³]³Æ©M©Òªø,¦bªk«ßªº³W½d¤U, ÀH®ÉÀ°§U¨º¨Ç¦b¬ðµo¨aÃø¤¤ªº¦PM, ¨Ï¥Ḻo¥H±N¥Í©R°]²£ªº·l¥¢´î¦Ü³Ì¤p, ¤]³\¦]±z¹ïARESªº¥I¥X, »¡¤£©w±zªº¿ËªB¦n¤Í¤]¦]ARES¦ÓÀò¯q¡C
			ARES¥¦¨Ã¨S¦³¯S²§¥\¯à, ¦Ó¬OÂǥѨC¤@Ó°Ñ»Pªº¸q«i³q°T¤Hû, ©Ò¦³³æ¿Wªº¤pµL½u¹qªi²[»\±, 
				¾®»E¦¨¤@¦p¸Á±_¦¡ªº¤j³q°Tºô
			,¦AÂǥѤp¶¤¡B°Ï¶¤¡BÁ`«ü´§ªº³q³øµ{§Ç, ±N°T®§°µ§Ö³tªº¶Ç»¼, ¥ô¦ó±z¥Í¬¡©P¾Dªº«æÃø¨Æ¥ó, ³£±N¦]®³°_µL½u¹qªº©I¥s, ±o¥H±N¥Í©R°]²£ªº¦M®`´î¦Ü³Ì¤p, ³o¬O¦óµ¥ªººÖ³ø¡C
			
				    
			¥un±z¬OARTªº¥¿¦¡·|û, 
				¥»¤H¸ÛíÞªºÅwªï±z¨Ó³ø¦W°Ñ»P
			,¥H«K¾Ü´Á®i¶}Á¿²ß, ³o¬O¤@±øº©ªøªº¸ô, ¦ý¬O·í±z©Ò¥I¥Xªº¦½¤ô¯à´«¨Ó¥L¤HªºÅw¼Ö, ªB¤Í! ±zªº¤H¥Í±N©M¯Ý¤f¤W©Ò±¾ªºARESºë¯«À²³¹¤@¼Ë¥Ã»·°{«G¡C
			
			
				 
			
		
| 
							
								
								 | 
			
			
				
					
			
						 
					
					 
						 
				
						 
			
				²Ä¤@©¡²Ä¤»¦¸
			²z¨Æ·|²Ä¤@¦¸Á{®É·|·|ij°O¿ý
			®É¶¡: ¤K¤Q¤»¦~¤Q¤G¤ë¤E¤é(¬P´Á¤G) ¤U¤È8:00
			¦aÂI: ¥x¥_¥«·s¥Í«n¸ô¤@¬q¤T¸¹¥x¥_¬ì§Þ¤j¾ÇºÖ§QÀ\ÆU(ì¥x¥_¤u±M¸²µå¶éÀ\ÆU)
			¥D®u: ²z¨Æªø±iº¬¤å/BV2RS
			°O¿ý: 
				¥Ð°·§^
			/BM2AAL
			¥X®u: ±iº¬¤å/BV2RS, ¸â¾Ç®ü/BV2CE,¤ýªv¥/BV2CK, 
			
				§E
			¥Á¶¯/BV2DK, ªò¥H®p/BV2KS, 
			§õ®¶ªF/BV2NT, §õ®¶¨¹/BV2PU,
			§õ¹Å·Ô/BV2WA, 
				¦¿¼wÄ£
			/BM2ACE
			¤@. ½T©w¥X®u·|ij¤H¼Æ²z¨Æ¦@9¤H,ºÊ¨Æ¦@1¤H. ¥X®u¹L¥b¼Æ, ¥D®u«Å§G¶}·|.
			
			
				¤G. 
			´£®×°Q½×¤Î¨Mij
			
				
					1.     
				
			BV2RS´£87
				¦~«×·|¶O¦¬¶O¼Ð·Ç¨Ã¨Ì¦~«×¤Á»ô®×
			
			
				
					l
						       
					
				
			¦~«×·|¶O¦¬¶O¼Ð·Çºû«ù1200¤¸. ¦ý
				¡¦
			¤õ»L±Ú
				¡¦
			400¤¸¤£¦A¦¬¨ú.
			
				
					l
						       
					
				
			87¦~«×©Ò¦³·|û¶O¨Ì¦~«×¤Á»ô¦Ü87¦~12¤ë
			¨Mij: ³q¹L.
			
				
					2.     
				
			BV2PU´£ ¨ú®ø¤J·|«Å»}®×
			¨Mij: 
				³q¹L
					, ¥»·|¤w±N¤J·|ªùÂe¥þ³¡¨ú®ø,
					¥ô¦óÃÙ¦P¥»·|©v¦®ªºÓ¤H, ¶ñ¼g¤J·|¥Ó½Ð®Ñ, ¨Ãú¯Ç·|¶O, §Y¥i¤J·|. ¦ý²z¨Æ·|«O¯d¦P·NÅv.
				
			
			
				
					3.     
				
			BV2WA´£ARES¯ó®×
			¨Mij: ³q¹L, ¨Ã½Ð2WA¥ß§Y°õ¦æ
			
				
					4.     
				
			BM2ACU´£¼úª¬³]p¯ó®×
			¨Mij: 
				³q¹L
					, ¼úª¬¥H¤¤^¤å¨Ã¦C, ¦ý^¤å³¡¥÷¸û¤p.
					¥~®Ø©T©w¤º®e¥iÅܬ°ì«h. ¨Ã½Ð
				
			2ACU
				¥ß§Y°õ¦æ
			
				¤T. 
			´²·|